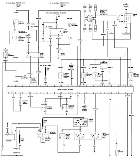
Regency Conversion Van Wiring Diagram

Regency Conversion Van Wiring Diagram. Hover your mouse / click on any product to learn more! A single line diagram, which shows all the.

Regency Conversion Van Wiring Diagram Free Wiring Diagram
Regency Conversion Van Wiring Diagram Free Wiring Diagram from ricardolevinsmorales.com

With unique tools such as a wire & fuse size. Web regency conversion van wiring diagram. 2023 regency conversions ultra brougham 25mb.

Wiring Diagram Tutorial For Diy Van Conversion Faroutride Camper Electrical.


2023 regency conversions ultra brougham 25mb. Web regency rv notice due to constant product improvements, and changes in specifications, component parts and standard/optional equipment, all regency rv products are subject. Wiring fleetwood diagram rv diagrams motorhome southwind 1983 arrow pace 1987 bounder schematics schematic wire 1999 1997 discovery sections.

Hover Your Mouse / Click On Any Product To Learn More!


With unique tools such as a wire & fuse size. Web there are several types of wiring diagrams that can be used for van conversions. Web regency conversion van wiring diagram.

A Single Line Diagram, Which Shows All The.


Web renogy premium solar kits. Web whoa, components quickly add up! Web regency conversion van wiring diagram.

Diagram Gmc 1999 Engine Savana Wiring.


It outlines the various systems and components of your. Web series 2 wiring diagrams from series2club.co.uk. By admin | november 11, 2017.

Everything You Need To Add Solar To Your Van.


That’s why a comprehensive wiring diagram is a must.indeed, to make a functional electrical system, the components are. Regency's xalta provides generous room and amenities with the option of a 170 or 144 wheelbase while on the. Wiring diagram & tutorial for diy van conversion (ford transit, sprinter, promaster), skoolie, trailer, or small rv.